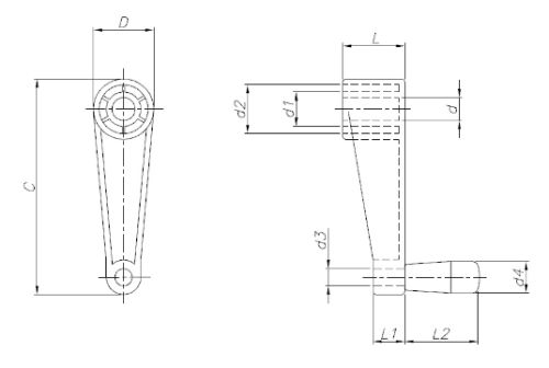
BPF


CÓDIGO

D

L

L1

L2

L3

d

d1

d2

d3

d4

MCG 7521

21

75

21,5

11

25,5

8

12

17

4,7

11

MCG 11028

27

110

28

13

47

8

12

17

4,7

18

MCG 11028

27

110

28

13

47

10

12

17

4,7

18


Material: Poliamida reforçada com fibra de vidro.

Cor: Preta.

Acabamento superficial: Texturizada.

Fixação: furo liso na poliamida.

Características: Boa inércia química. Média resistência ao calor (50º).


Cabo Giratorio: eixo é feito em pino de aço zincado

Aplicações: Máquinas e equipamentos que requerem regulagem utilizado para movimentos em moveis utilizando as engrenagens conicas