V3R

V3R

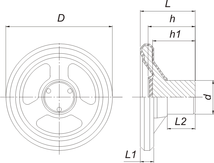
CÓDIGO

D

L

L1

L2

d

h

V3R 95

95

48

12

25

30

41

V3R 115

115

60

14

30

35

46

V3R 140

140

67

16

30

40

48

V3R 160

160

71

18

31

45

48

V3R 185

185

76

20

29

50

53

V3R 215

215

87

23

31

60

58

V3R 280

280

110

30

35

75

70

Logo sparkifix
Sparkfix Fixadores Comercio Ltda

V3R - Volante Três Raios com Alma de Ferro

Ferro Fundido Revestido em Resina Termoplástica

V3R


Material: Poliamida reforçada com fibra de vidro.

Cor: Preta.

Acabamento superficial: Texturizado.

Fixação: Fofo (Ferro fundido), não é fornecido com furação no cubo para fixação de equipamento.

Característica: bos resistência à tração, boa resistência ao impacto, excelente resistência aos óleos e graxas, média de resistência ao calor de 50ºC. Das suas vantagens: dispensa pinturas, cromações ou acabamentos, que é necessário para um volante tradicional de ferro fundido. Na aquisição deste produto, o cliente só terá o trabalho de usinagem do cubo para fixação no equipamento.

Aplicações: Máquinas e equipamentos em geral, onde necessita de movimentação das partes móveis por acionamento manual.